Brand Name: JMC
Model Number: US type, meet the performance requirements of Federal Specification RR-C-271F Type IVA, Grade A, Class 2
Material: Carbon Steel for Body, Alloy Steel for Pin
Size: 1/4"-2.1/2"
Surface Treatment: E. Galv, H.D. Galv, Color Painted
Technology: Forged-Quenched and Tempered, with Alloy Pins
Application: Security
Packing: In carton or gunny bag, then on steel pallet
Place of Origin: Shandong, China(Mainland)
Business Type: Manufacturer, Trading Company

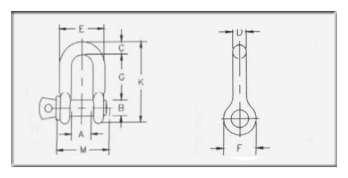
| Screw Pin Chain Shackle G-210 | |||||||||||||
| NOMINAL SIZE | W.L.L | DIMENSIONS(IN.) | TOLERANCE +/- | ||||||||||
| (IN.) | (TONS) | A | B | C | D | E | F | G | K | L | M | G | A |
| 1/4 | 1/2 | 0.47 | 0.31 | 0.25 | 0.25 | 0.97 | 0.62 | 0.97 | 1.59 | 0.19 | 1.43 | 0.06 | 0.06 |
| 5/16 | 3/4 | 0.53 | 0.38 | 0.31 | 0.31 | 1.15 | 0.75 | 1.07 | 1.91 | 0.22 | 1.71 | 0.06 | 0.06 |
| 3/8 | 1 | 0.66 | 0.44 | 0.38 | 0.38 | 1.42 | 0.92 | 1.28 | 2.31 | 0.25 | 2.02 | 0.13 | 0.06 |
| 7/16 | 1.1/2 | 0.75 | 0.50 | 0.44 | 0.44 | 1.63 | 1.06 | 1.48 | 2.67 | 0.31 | 2.37 | 0.13 | 0.06 |
| 1/2 | 2 | 0.81 | 0.63 | 0.50 | 0.50 | 1.81 | 1.18 | 1.66 | 3.03 | 0.38 | 2.69 | 0.13 | 0.06 |
| 5/8 | 3.1/4 | 1.06 | 0.75 | 0.63 | 0.63 | 2.32 | 1.50 | 2.04 | 3.76 | 0.44 | 3.34 | 0.13 | 0.06 |
| 3/4 | 4.3/4 | 1.25 | 0.88 | 0.81 | 0.75 | 2.75 | 1.81 | 2.40 | 4.53 | 0.50 | 3.97 | 0.25 | 0.06 |
| 7/8 | 6.1/2 | 1.44 | 1.00 | 0.97 | 0.88 | 3.20 | 2.10 | 2.86 | 5.33 | 0.50 | 4.50 | 0.25 | 0.06 |
| 1 | 8.1/2 | 1.69 | 1.13 | 1.00 | 1.00 | 3.69 | 2.38 | 3.24 | 5.94 | 0.56 | 5.13 | 0.25 | 0.06 |
| 1.1/8 | 9.1/2 | 1.81 | 1.25 | 1.25 | 1.13 | 4.07 | 2.69 | 3.61 | 6.78 | 0.63 | 5.71 | 0.25 | 0.06 |
| 1.1/4 | 12 | 2.03 | 1.38 | 1.38 | 1.25 | 4.53 | 3.00 | 3.97 | 7.50 | 0.69 | 6.25 | 0.25 | 0.13 |
| 1.3/8 | 13.1/2 | 2.25 | 1.50 | 1.50 | 1.38 | 5.01 | 3.31 | 4.43 | 8.28 | 0.75 | 6.83 | 0.25 | 0.13 |
| 1.1/2 | 17 | 2.38 | 1.63 | 1.62 | 1.50 | 5.38 | 3.62 | 4.84 | 9.05 | 0.81 | 7.33 | 0.25 | 0.13 |
| 1.3/4 | 25 | 2.88 | 2.00 | 2.12 | 1.75 | 6.38 | 4.19 | 5.78 | 10.97 | 1.00 | 9.06 | 0.25 | 0.13 |
| 2 | 35 | 3.25 | 2.25 | 2.36 | 2.10 | 7.25 | 5.00 | 6.77 | 12.74 | 1.13 | 10.35 | 0.25 | 0.13 |
| 2.1/2 | 55 | 4.12 | 2.75 | 2.63 | 2.63 | 9.38 | 5.68 | 8.07 | 14.85 | 1.38 | 13.00 | 0.25 | 0.25 |
If you have any questions, feedback or comments, Please fill out the form below and we will reply you back as soon as possible.